Chinese     English  
Home -> Products 
  Products
    Temperature fuse series
    Thermostat series
    Self recovery series
    One-off series of patch ...
    Car fuse insert series
    Resistance series
    Miniature Fuse Series
    Glass / ceramic tube ser...
    Fuse holder series
    Temperature sensor
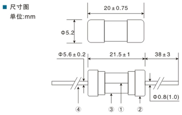
5HL/5HT, 5.0x20, Euro gauge, fast / slow break, ceramic safety valve




HOME ABOUT PRODUCTS NEWS JOBS FEEDBACK CONTACT SHOP
Tel: 0755-27295561 Fax: 0755-27294561
Address: B1 Pujing Zhongyuan Guomao Science and Technology Park, No. 3 Industrial Zone, Tangxia Chung, Songgang Street, Mao Baoan District, Shenzhen
Copyright 2018 Shenzhen City Fu Yu Si Electronics Co., Ltd.